| |
|
| |
 |
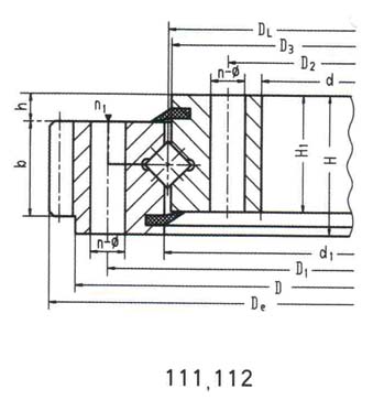
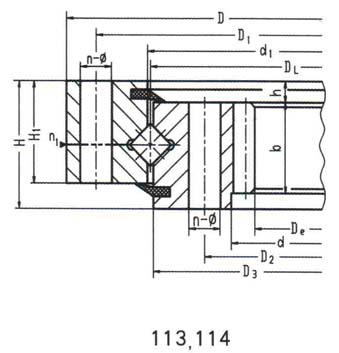
單排交叉滾柱式回轉支承(11系列) |
|
承
載
曲
線
圈
編
號
|
基本型號
|
外型尺寸
|
安裝尺寸
|
結構尺寸
|
齒輪參數
|
外齒參數
|
內齒參數
|
齒輪圓周力
|
參
考
重
量
(kg)
|
|
無齒式
DL
mm
|
外齒式
DL
mm
|
內齒式
DL
mm
|
D
mm
|
d
mm
|
H
mm
|
D1
mm
|
D2
mm
|
n
|
Φ
mm
|
n1
|
D3
mm
|
d1
mm
|
H1
mm
|
h
|
b
mm
|
x
|
m
|
De
mm
|
Z
|
De
mm
|
Z
|
正火
Z
104 N
|
調質
T
104 N
|
|
1
|
110.25.500
|
111.25.500
|
113.25.500
|
602
|
398
|
75
|
566
|
434
|
20
|
18
|
4
|
498
|
502
|
65
|
10
|
60
|
+0.5
|
5
|
629
|
123
|
367
|
74
|
3.7
|
5.2
|
80
|
|
112.25.500
|
114.25.500
|
6
|
628.8
|
102
|
368.4
|
62
|
4.5
|
6.2
|
|
2
|
110.25.560
|
111.25.560
|
113.25.560
|
662
|
458
|
75
|
626
|
494
|
20
|
18
|
4
|
558
|
562
|
65
|
10
|
60
|
+0.5
|
5
|
689
|
135
|
427
|
86
|
3.7
|
5.2
|
90
|
|
112.25.560
|
114.25.560
|
6
|
688.8
|
112
|
428.4
|
72
|
4.5
|
6.2
|
|
3
|
110.25.630
|
111.25.630
|
113.25.630
|
732
|
528
|
75
|
696
|
564
|
24
|
18
|
4
|
628
|
632
|
65
|
10
|
60
|
+0.5
|
6
|
772.8
|
126
|
494.4
|
83
|
4.5
|
6.2
|
100
|
|
112.25.630
|
114.25.630
|
8
|
774.4
|
94
|
491.2
|
62
|
6.0
|
8.3
|
|
4
|
110.25.710
|
111.25.710
|
113.25.710
|
812
|
608
|
75
|
776
|
644
|
24
|
18
|
4
|
708
|
712
|
65
|
10
|
60
|
+0.5
|
6
|
850.8
|
139
|
572.4
|
96
|
4.5
|
6.2
|
110
|
|
112.25.710
|
114.25.710
|
8
|
854.4
|
104
|
571.2
|
72
|
6.0
|
8.3
|
|
5
|
110.28.800
|
111.28.800
|
113.28.800
|
922
|
678
|
82
|
878
|
722
|
30
|
22
|
6
|
798
|
802
|
72
|
10
|
65
|
+0.5
|
8
|
966.4
|
118
|
635.2
|
80
|
6.5
|
9.1
|
170
|
|
112.28.800
|
114.28.800
|
10
|
968
|
94
|
634
|
64
|
8.1
|
11.4
|
|
6
|
110.28.900
|
111.28.900
|
113.28.900
|
1022
|
778
|
82
|
978
|
822
|
30
|
22
|
6
|
898
|
902
|
72
|
10
|
65
|
+0.5
|
8
|
1062.4
|
130
|
739.2
|
93
|
6.5
|
9.1
|
190
|
|
112.28.900
|
114.28.900
|
10
|
1068
|
104
|
734
|
74
|
8.1
|
11.4
|
|
7
|
110.28.1000
|
111.28.1000
|
113.28.1000
|
1122
|
878
|
82
|
1078
|
922
|
36
|
22
|
6
|
998
|
1002
|
72
|
10
|
65
|
+0.5
|
10
|
1118
|
116
|
824
|
83
|
8.1
|
11.4
|
210
|
|
112.28.1000
|
114.28.1000
|
12
|
1185.6
|
96
|
820.8
|
69
|
9.7
|
13.6
|
|
8
|
110.28.1120
|
111.28.1120
|
113.28.1120
|
1242
|
988
|
82
|
1198
|
1042
|
36
|
22
|
6
|
1118
|
1122
|
72
|
10
|
65
|
+0.5
|
10
|
1298
|
127
|
944
|
95
|
8.1
|
11.4
|
230
|
|
112.28.1120
|
114.28.1120
|
12
|
1305.6
|
106
|
940.8
|
79
|
9.7
|
13.6
|
|
9
|
110.32.1250
|
111.32.1250
|
13.32.1250
|
1390
|
1110
|
91
|
1337
|
1163
|
40
|
26
|
5
|
1248
|
1252
|
81
|
10
|
75
|
+0.5
|
12
|
1449.6
|
118
|
1048.8
|
88
|
11.3
|
15.7
|
350
|
|
112.32.1250
|
114.32.1250
|
14
|
1453.2
|
101
|
1041.6
|
75
|
13.2
|
18.2
|
|
10
|
110.32.1400
|
111.32.1400
|
113.32.1400
|
1540
|
1260
|
91
|
1487
|
1313
|
40
|
26
|
5
|
1398
|
1402
|
81
|
10
|
75
|
+0.5
|
12
|
1605.6
|
131
|
1192.8
|
100
|
11.3
|
15.7
|
400
|
|
112.32.1400
|
114.32.1400
|
14
|
1607.2
|
112
|
1195.6
|
86
|
13.2
|
18.2
|
|
11
|
110.32.1600
|
111.32.1600
|
113.32.1600
|
1740
|
1460
|
91
|
1678
|
1513
|
45
|
26
|
5
|
1598
|
1602
|
81
|
10
|
75
|
+0.5
|
14
|
1817.2
|
127
|
1391.6
|
100
|
13.2
|
18.2
|
440
|
|
112.32.1600
|
114.32.1600
|
16
|
1820.8
|
111
|
1382.4
|
87
|
15.1
|
22.4
|
|
12
|
110.32.1800
|
111.32.1800
|
113.32.1800
|
1940
|
1660
|
91
|
1887
|
1713
|
45
|
26
|
5
|
1798
|
1802
|
81
|
10
|
75
|
+0.5
|
14
|
2013.2
|
141
|
1573.6
|
113
|
13.2
|
18.2
|
500
|
|
112.32.1800
|
114.32.1800
|
16
|
2012.8
|
123
|
1574.4
|
99
|
15.1
|
22.4
|
|
13
|
110.40.2000
|
111.40.2000
|
113.40.2000
|
2178
|
1825
|
112
|
2110
|
1891
|
48
|
33
|
8
|
1997
|
2003
|
100
|
12
|
90
|
+0.5
|
16
|
2268.8
|
139
|
1734.4
|
109
|
18.1
|
25.0
|
900
|
|
112.40.2000
|
114.40.2000
|
18
|
2264.4
|
123
|
1735.2
|
97
|
20.3
|
28.1
|
|
14
|
110.40.2240
|
111.40.2240
|
113.40.2240
|
2418
|
2065
|
112
|
2350
|
2131
|
48
|
33
|
8
|
2237
|
2243
|
100
|
12
|
90
|
+0.5
|
16
|
2492.8
|
153
|
1990.4
|
125
|
18.1
|
25.0
|
1000
|
|
112.40.2240
|
114.40.2240
|
18
|
2498.4
|
136
|
1987.2
|
111
|
20.3
|
28.1
|
|
15
|
110.40.2500
|
111.40.2500
|
113.40.2500
|
2678
|
2325
|
112
|
2610
|
2391
|
56
|
33
|
8
|
2497
|
2503
|
100
|
12
|
90
|
+0.5
|
18
|
2768.4
|
151
|
2239.2
|
125
|
20.3
|
28.1
|
1100
|
|
112.40.2500
|
114.40.2500
|
20
|
2776
|
136
|
2228
|
112
|
22.6
|
31.3
|
|
16
|
110.40.2800
|
111.40.2800
|
113.40.2800
|
2978
|
2625
|
112
|
2910
|
2691
|
56
|
33
|
8
|
2797
|
2803
|
100
|
12
|
90
|
+0.5
|
18
|
3074.4
|
168
|
2527.2
|
141
|
20.3
|
28.1
|
1250
|
|
112.40.2800
|
114.40.2800
|
20
|
3076
|
151
|
2528
|
127
|
22.6
|
31.3
|
|